| 地址: | 河北省(shěng)泊頭市道東街88号(hào) |
| 電話: | 0317-8185077 |
| 0317-8263980 | |
| 0317-8223128 | |
| 傳真: | 0317-8265584 |
| E-mail: | [email protected] |
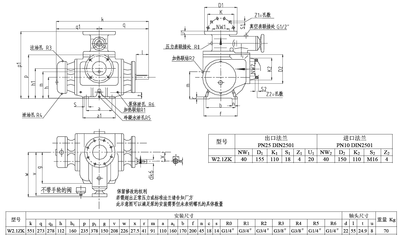
| W2.1ZK24Z1M1W73雙螺杆泵泵(bèng)頭尺寸圖 |
| 發布時(shi)間:2019-8-2 9:17:20 點擊次數: |
W2.1ZK24Z1M1W73雙螺(luó)杆泵泵頭尺寸圖(tú)
雙螺杆(gan)泵有密封式和不(bú)密封式兩種類型(xing),按介質從一端還(hai)🔞是 從兩端進入齧(nie)合空間,雙螺杆又(yòu)被分為雙吸式和(hé)單吸式♍兩種結構(gòu)。雙螺杆泵是外齧(niè)合的螺杆泵,它利(li)用相互齧合,互不(bu)接觸的兩根螺杆(gan)來抽送液體。雙螺(luó)杆泵為一種🐕雙吸(xi)式非密閉的雙螺(luo)杆泵。一端伸出泵(beng)外的主動螺杆由(yóu)原動機驅動。主動(dong)螺杆與從動螺杆(gǎn)具有不同旋向的(de)螺紋。螺杆與泵體(ti)緊密貼合💯。從動螺(luo)杆是通過同步齒(chi)輪由主動✊螺杆帶(dai)動的。 雙螺杆泵的(de)軸承分外置和内(nei)置,如何選擇取決(jue)于輸送液體的❌特(te)性,潤滑性差且有(you)細小雜質的液體(tǐ)🌐選擇外置軸承,外(wai)置軸承采用潤滑(hua)脂獨立潤滑,不受(shou)輸送介質的影響(xiǎng)。 |
版權所有:保定万(wàn)协重工制造有限(xiàn)责任公司(急速版(ban)) 電話:0317-8183535
傳真:0317-8265584 E-mail:[email protected]備案号(hao):冀ICP05010751号-3

