| 地址(zhǐ): | 河北省(sheng)泊頭市(shi)道東街(jie)88号 |
| 電話(huà): | 0317-8185077 |
| 0317-8263980 | |
| 0317-8223128 | |
| 傳真: | 0317-8265584 |
| E-mail: | [email protected] |
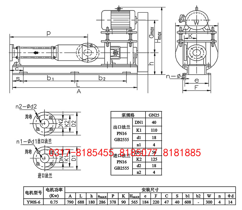
| 輸送石(shi)灰乳泵(beng)GCN25-1V-W101背包式(shì)單螺杆(gǎn)泵配Y0.75KW-6安(ān)裝尺寸(cun)圖 | ||||||||||||||||||||||||||||||||||||||||||||||||||||||||||||||||
| 發布(bù)時間:2016-6-17 11:27:20 點(diǎn)擊次數(shu): | ||||||||||||||||||||||||||||||||||||||||||||||||||||||||||||||||
輸送石(shí)灰乳泵(beng)GCN25-1V-W101背包式(shi)單螺杆(gǎn)泵配Y0.75KW-6安(an)裝尺寸(cùn)圖
輸(shū)送石灰(huī)乳泵GCN25-1V-W101單(dan)螺杆泵(beng)性能參(can)數表
| ||||||||||||||||||||||||||||||||||||||||||||||||||||||||||||||||
版權(quan)所有:保(bǎo)定万协(xie)重工制(zhì)造有限(xiàn)责任公(gōng)司(急速(su)版) 電話(huà):0317-8183535
傳真:0317-8265584 E-mail:[email protected]備(bei)案号:冀(jì)ICP05010751号-3
傳真:0317-8265584 E-mail:[email protected]備(bei)案号:冀(jì)ICP05010751号-3

